中央人民政府
|
陕西省人民政府
|
汉中市人民政府
长者浏览
无障碍
网站支持IPv6
登录
|
退出
注册
|
繁体
网站首页
魅力勉县
政府信息公开
互动交流
政务服务
专题专栏
网站首页
魅力勉县
政府信息公开
互动交流
政务服务
专题专栏
当前位置:
首页
>
政府信息公开
>
财政信息
>
部门预决算及三公经费
>
2019年县级部门决算公开目录
map
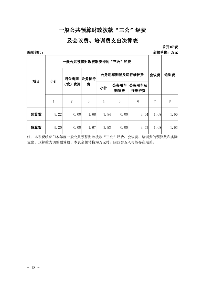
勉县文化和旅游局2019年度决算公开
索引号:
发布日期:
2020年10月23日 10:39
来源:
发文机构:
内容概述:
访问量:
【字体:
大
中
小
】
转载
扫一扫在手机打开当前页
map